0
产品
产品
新闻
产品展示
返回
滚珠丝杠
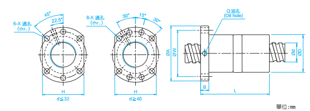
DFI滚珠丝杠
相关产品:
SFE滚珠丝...
DFV滚珠丝...
SFK滚珠丝...
SCI滚珠丝...
SFNI滚珠丝...
SFV滚珠丝...
DFU滚珠丝...
电话
短信
咨询
地图