0
产品
产品
新闻
产品展示
返回
滚珠丝杠
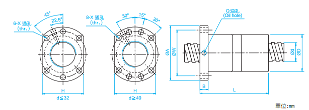
SFNU滚珠丝杠
相关产品:
DFS滚珠丝...
SFH滚珠丝...
SFNI滚珠丝...
BSH滚珠丝...
DFU滚珠丝...
SFE滚珠丝...
SFI滚珠丝...
电话
短信
咨询
地图