0
产品
产品
新闻
滚珠丝杠
返回
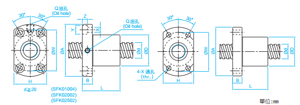
SFK滚珠丝杠
相关产品:
DFU滚珠丝...
DFI滚珠丝...
SFS滚珠丝...
SFNI滚珠丝...
SFE滚珠丝...
SFY滚珠丝...
SFM/DFM滚...
电话
短信
咨询
地图