0
产品
产品
新闻
滚珠丝杠
返回
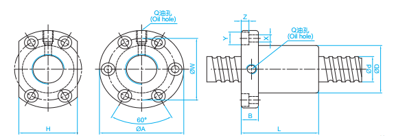
SFNI滚珠丝杠
相关产品:
SFU滚珠丝...
SFH滚珠丝...
SFK滚珠丝...
DFU滚珠丝...
SFI滚珠丝...
DFS滚珠丝...
SFU3232
电话
短信
咨询
地图